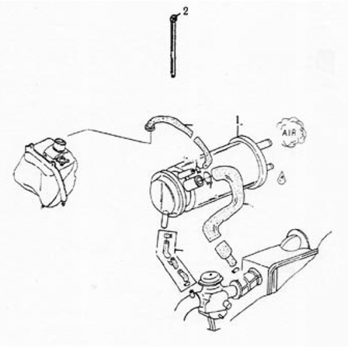
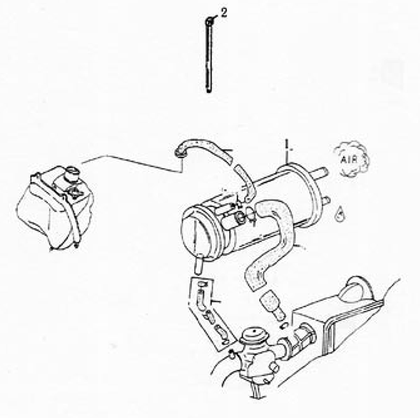
Canister Comp (Lambretta UNO150)
Change Assembly
| # | Product Name | Req'd | Price: | |
|---|---|---|---|---|
| 1 |
Canister Comp.
17310-248-000
|
$40.34 | ||
| 2 |
Cable Tie, 4.8*200m/m
90669-101-000
|
$0.67 |

