FRONT SUSPENSION (Kasea Skyhawk 50 Quad)
Change Assembly
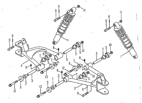
| # | Product Name | Req'd | Price: | |
|---|---|---|---|---|
| 1 |
SHOCK ABSORBER ASS'Y
42126-SK9-00
|
$74.99 | ||
| 2 |
FRONT ARM LEFT
42161-SK9-00
|
$66.60 | ||
| 3 |
COLLAR
42163-RAM-00
|
$4.17 | ||
| 4 |
FRONT ARM RIGHT
42171-SK9-00
|
$56.60 | ||
| 5 |
COVER, THRUST
42183-RAM-00
|
$4.17 | ||
| 6 |
PIN, COTTER 2.3*20
90240-23020-B
|
$0.21 | ||
| 7 |
BUSH, SOLID
93330-152118
|
$4.73 | ||
| 8 |
NIPPLE, GREASE M6*P1.0
94340-06010-B
|
$0.70 | ||
| 9 |
BLOT KEYHOLE
94716-10041-B
|
$2.79 | ||
| 10 |
NUT, NYLON
95311-101710-B
|
$1.26 | ||
| 11 |
NUT, FLANGE
95401-101409-B
|
$0.96 | ||
| 12 |
BOLT,FLANGE
96414-10080-B
|
$2.99 |

