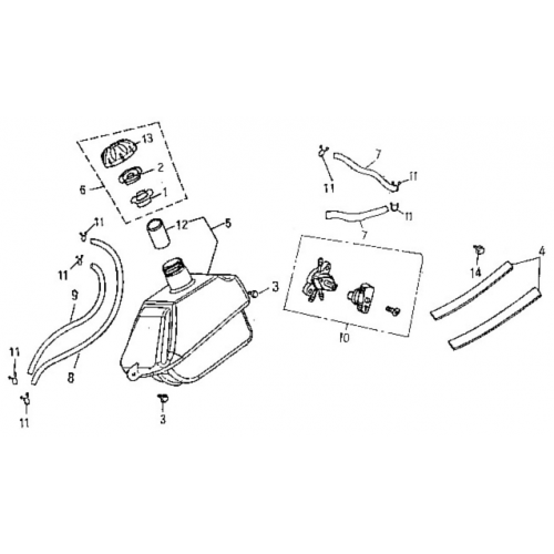
Fuel Tank (Adly ATV 90Z2 4T (Gear Drive))
Change Assembly
| # | Product Name | Req'd | Price: | |
|---|---|---|---|---|
| 1 | Fuel Tank Cap Gasket 17631-145-000 | |||
| 2 | Fuel Tank Cap Bushing 17632-145-001 | $2.34 $1.76 | ||
| 3 | Hex Washer Face Bolt, 6*14 92006-06014-10G | $2.09 $1.57 | ||
| 4 | Sponge Pad, 30*100*4 17505-145-00A | $4.69 $3.51 | ||
| 5 | Fuel Tank Comp 17500-155-001 | $85.01 $63.76 | ||
| 6 | Fuel Cap Ass'Y 17620-145-001 | |||
| 7 | Tube, 4.8*8*182 94400-0408182 | |||
| 8 | Fuel Tube 17512-145-000 | |||
| 9 | Fuel Tube 17513-145-000 | $6.03 $4.52 | ||
| 10 | Fuel Cup 16950-152-000 | $17.79 $13.34 | ||
| 11 | Clip, 8*0.8 94510-08000 | $0.69 $0.52 | ||
| 12 | Fuel Tank Tube 17633-145-000 | |||
| 13 | Fuel Tank Cap Body, NYLON66 17621-145-001 | |||
| 14 | Pan Phillips Bolt, M5*16 93500-05016B | $0.59 $0.44 | 

